Slewing ring made of aluminium
LVB

Prezzo unitario: | -,- EUR | |
Prezzo | -,- EUR |
Descrizione
Material
Anello interno/esterno: Alluminio, anodizzato
Anelli di scorrimento: Acciaio cromo silicio temprato
Elementi volventi: Acciaio per cuscinetti temprato
Gabbia: Poliammide o Poliuretano termoplastico
Guarnizioni: NBR
Operating temperature da -20 °C a +80 °C, per brevi periodi fino a +100 °C
Peripheral speed Max. 5 m/s, senza guarnizione max. 10 m/s
Lubricant Shell Gadus S3 V220 C2
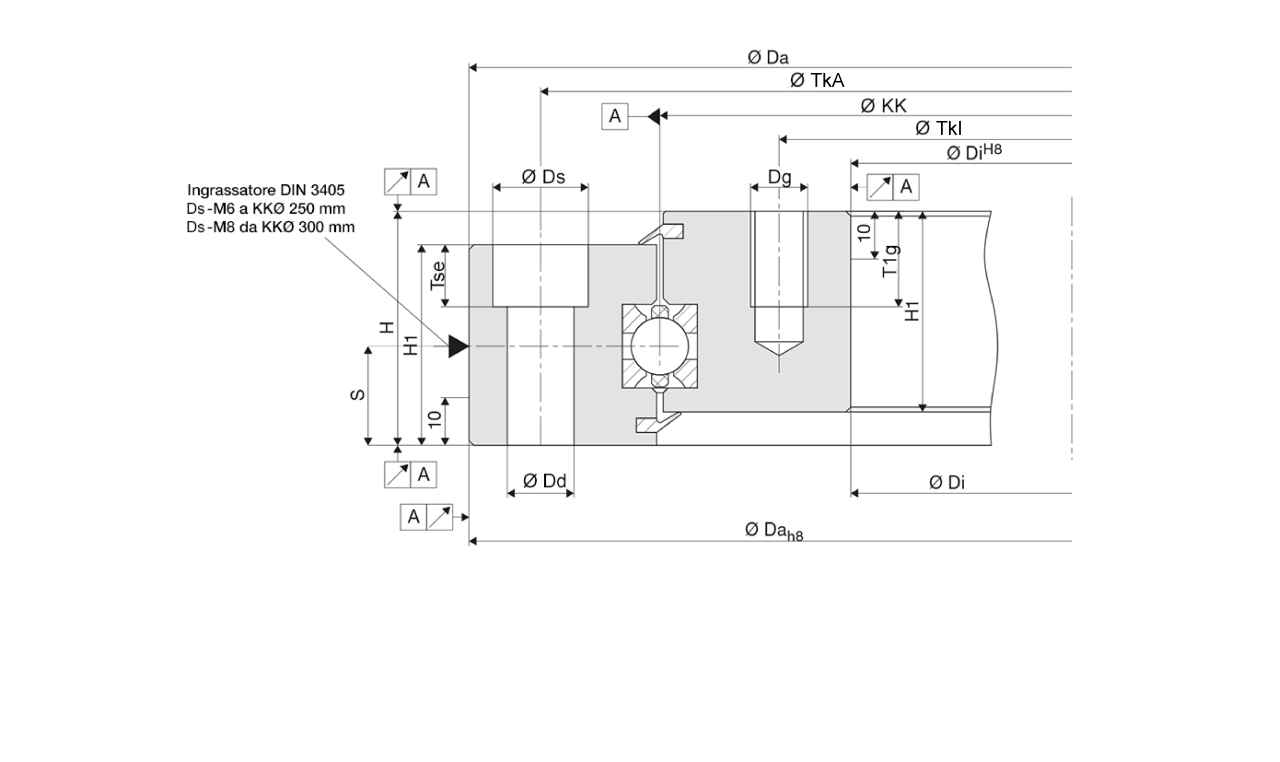
Relubrication Tramite ingrassatori secondo DIN 3405
Scorrevolezza | |
Portata | |
Velocità | |
Rigidità | |
Peso | |
Prezzo |
I miei contatti per questo prodotto
Il Vs. contatto locale
Franke GmbH
Obere Bahnstraße 64
D-73431 Aalen Tel.: +49 7361 9200 vertrieb@franke-gmbh.de

Lasciatevi consigliare!
Da un esperto Franke tramite chat video, sul tuo sito o presso la nostra sede.