Slewing ring made of steel
LVC
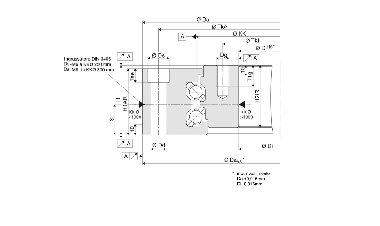
97168A
| Prezzo unitario: | -,- EUR | |
| Prezzo | -,- EUR |
Descrizione
Materiale
Anello interno/esterno: C45N
Anelli di scorrimento: Acciaio cromo silicio temprato
Elementi volventi: Acciaio per cuscinetti temprato
Gabbia: Poliammide o Poliuretano termoplastico
Guarnizioni: NBR
Temperatura di esercizio da -20 °C a +80 °C, per brevi periodi fino a +100 °C
Velocità periferica Max. 20 m/s
Lubrificante Shell Gadus S3 V220 C2
Rilubrificazione Tramite ingrassatori secondo DIN 3405
| Scorrevolezza | |
| Portata | |
| Velocità | |
| Rigidità | |
| Peso | |
| Prezzo |
I miei contatti per questo prodotto
Il tuo contatto locale
HTC Srl
Via XXIV Maggio 40
10082 Cuorgnè TO
Tel.: +39 0124 65 19 16
info@htcfranke.it

Lasciatevi consigliare!
Da un esperto Franke tramite chat video, sul tuo sito o presso la nostra sede.