Bearing with profiled raceways
LER
610704
Descrizione
Material
Anelli di scorrimento: Acciaio cromo silicio temprato
Elementi volventi: Acciaio per cuscinetti temprato
Gabbia: Poliammide o Poliuretano termoplastico
Operating temperature da -30 °C a +80 °C, per brevi periodi fino a +100 °C
Peripheral speed Max. 5 m/s, senza guarnizione max. 10 m/s
Lubricant Shell Gadus S3 V220 C2
| Scorrevolezza | |
| Precisione | |
| Velocità | |
| Rigidità | |
| Montaggio | |
| Prezzo |
Da ora disponibile nella taglia più piccola:
Franke LER 1.5
Dati di base
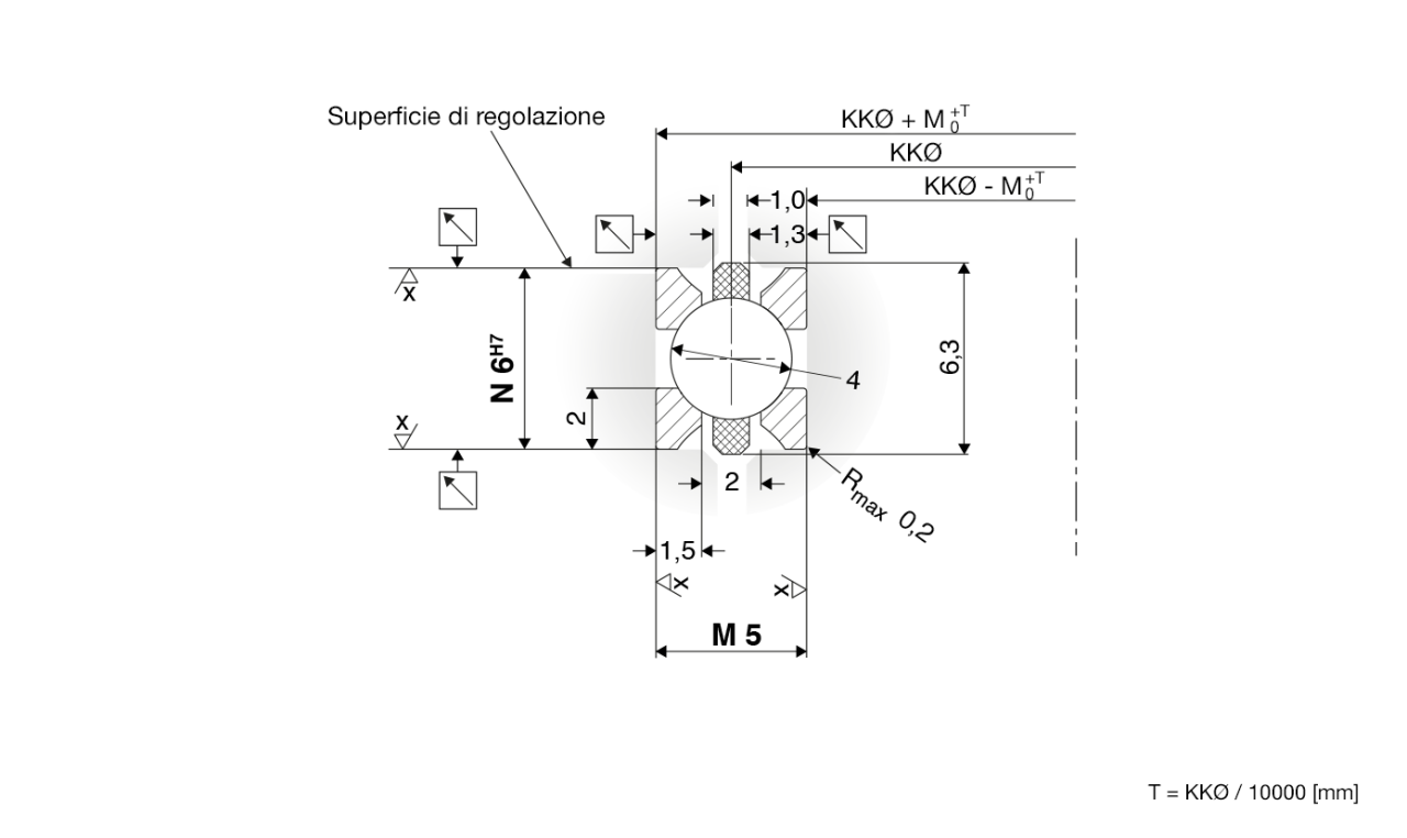
- Spazio per l'installazione 5 x 6 mm
- KKØ: 40 - 150 mm
I vantaggi
- Spazio di installazione minimo
- Peso minimo
- Precarico regolabile
- Economico
- Senza gioco
- Elevata resilienza
- Profilo rettangolare che agevola la
costruzione della sede e semplifica
il montaggio
Compatto
Leggero
Precarico regolabile
Economico
Spazio di installazione minimo, prezzo contenuto
In un'ottica di miniaturizzazione, Franke ha sviluppato il nuovo cuscinetto LER 1,5. Una delle soluzioni più compatte presenti attualmente sul mercato, con rapporto dimensioni/prestazioni irraggiungibile per qualsiasi altro cuscinetto. A differenza di un cuscinetto a sezione sottile o di un cuscinetto a strisciamento in plastica, il precarico del cuscinetto in elementi LER 1.5 può essere regolato accuratamente in fase di montaggio per rispondere ai requisiti di funzionamento. Il LER 1.5 non si distigue solo per le sue dimensioni e prestazioni, ma anche per il suo prezzo particolarmente interessante.

Profilo rettangolare
Vantaggio del profilo rettangolare
Come tutti i cuscinetti del tipo LER ha anelli di scorrimento realizzati con filo a profilo rettangolare. La sede di montaggio risulta semplificata da realizzare, riducendo notevolmente i costi di produzione. Inoltre il profilo rettangolare migliora la rigidità e facilita il montaggio.

Campi di applicazione
Il LER 1.5 è particolarmente adatto per applicazioni ultracompatte come in robot collaborativi (HRC), in esoscheletri, macchinari o in applicazioni medicali. Con il suo piccolo spazio di installazione, il nuovo LER 1.5 risponde idealmente alla tendenza verso la miniaturizzazione nel settore della movimentazione e dell'automazione. Piccoli attuatori rotani, pinze o manipolatori possono essere spostati con precisione e con un'elevata capacità di carico.
I miei contatti per questo prodotto
Il Vs. contatto locale
Franke GmbH
Obere Bahnstraße 64
D-73431 Aalen Tel.: +49 7361 9200 vertrieb@franke-gmbh.de

Lasciatevi consigliare!
Da un esperto Franke tramite chat video, sul tuo sito o presso la nostra sede.