Trasmissione a coppia
Trasmissione diretta tipo LTD
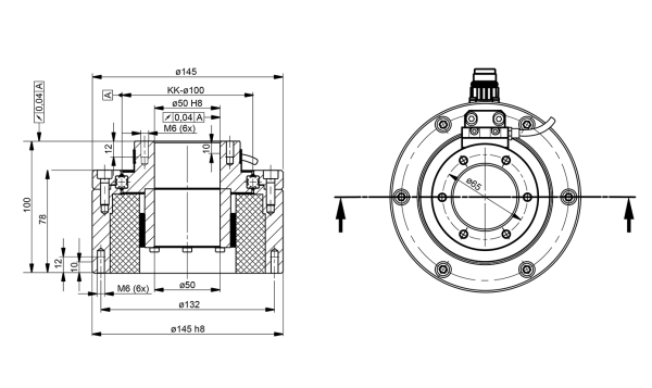
609818
Descrizione
Materiale C45N (opzionale alluminio)
Temperatura di esercizio da -10 °C a +80 °C
Posizione di montaggio qualsiasi
Lubrificante Grasso per cuscinetti
Opzioni Sistema di misurazione assoluto, uscita cavo assiale, unità di controllo incl. cavi, raffreddamento ad acqua
| Precisione | |
| Velocità | |
| Gamma Ø | |
| Prezzo |
Super compatto e super individuale: Cuscinetto assemblato Franke con motore torque LTD
Dati di base
- Steruttura in acciaio o alluminio
- Diametri da 100 a 1800 mm
- Sistema di misurazione incrementale
- Sistemi di misurazione assoluto
I vantaggi
- Design compatto
- Grande spazio centrale
- Libera scelta dei componenti
- Quattro misure standard
- Soluzioni personalizzate
Funzionalità e vantaggi:
Compatto
Dinamico
Efficienza energetica
Design compatto, grande spazio centrale
I gruppi di cuscinetti Franke con azionamento diretto integrato (motore dinamometrico) sono caratterizzati da un'elevata dinamica, la massima efficienza energetica e uno spazio di installazione compatto combinato con un design privo di centro.
I cuscinetti assemblati con azionamento diretto LTD sono certificati per l'uso in camere bianche
Diametri disponibili
I cuscinetti Franke con azionamento diretto sono disponibili in diametri da 100 mm a 1.800 mm.
I miei contatti per questo prodotto
Il tuo contatto locale
HTC Srl
Via XXIV Maggio 40
10082 Cuorgnè TO
Tel.: +39 0124 65 19 16
info@htcfranke.it
Whitepaper azionamento diretto con motore torque

Scoprite nel nostro whitepaper perché una ralla con coppia integrata è superiore ad altri tipi di azionamento sotto quasi tutti i punti di vista.
Evitare di utilizzare in futuro componenti come riduttori e pignoni di trasmissione.

Lasciatevi consigliare!
Da un esperto Franke tramite chat video, sul tuo sito o presso la nostra sede.

